在快速發展的家電市場中,對于高效能、低功耗的電源管理芯片的需求日益增長。環球半導體推出的G2362P-12芯片,以其卓越的性能和廣泛的應用潛力,正成為小家電領域的一顆新星。
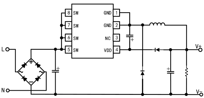
G2362P-12是一款12V250mA的非隔離buck芯片,采用DIP7封裝形式。這款芯片專為小家電設計,能夠提供穩定而高效的電源轉換,滿足現代家電對電源管理的嚴格要求。
高效率:G2362P-12在轉換過程中損耗極低,有效提升了能源利用效率。
低功耗:在待機模式下,芯片的功耗極低,有助于延長設備的使用壽命。
高兼容性:DIP7封裝使得G2362P-12能夠輕松集成到現有的家電設計中,無需大幅修改電路板布局。
穩定性:內置的保護機制確保了芯片在各種工作條件下都能穩定運行。

G2362P-12芯片廣泛應用于多種小家電中,包括但不限于:
多士爐:為多士爐提供穩定的電源,確保烘烤過程的均勻性。
咖啡機:在咖啡機中,G2362P-12能夠提供所需的電壓和電流,保證咖啡的香濃。
空氣炸鍋:在空氣炸鍋中,這款芯片能夠提供穩定的熱源,確保食物的烹飪效果。
G2362P-12芯片在市場上的競爭力不容小覷。它能夠替代市場上的多種競品型號,如BP85956P(晶豐)、LP2179B(芯茂微)、FT8440AD(輝芒微)和OB2235x。這些替代品在性能上可能與G2362P-12相當,但環球半導體的這款芯片在成本效益和供應鏈穩定性方面可能更具優勢。
G2362P-12芯片以其高效能、低功耗和高兼容性,為小家電市場提供了一個可靠的電源管理解決方案。隨著家電行業對節能和環保要求的提高,G2362P-12無疑將成為家電制造商的首選芯片之一。環球半導體憑借這款芯片,進一步鞏固了其在電源管理領域的領導地位。
隨著技術的不斷進步和市場需求的不斷變化,環球半導體將繼續致力于研發更高效、更智能的電源管理芯片。G2362P-12只是一個開始,未來我們期待看到更多創新產品,為家電行業帶來革命性的變化。