FT8400與FT8410作為高效能AC-DC恒壓芯片,憑借其卓越的性能和廣泛的應用場景,成為了許多電子產品設計中的首選。本文將深入探討這兩款芯片的電路原理、能效測試以及它們在實際應用中的表現。
FT8400與FT8410是專為AC-DC轉換設計的恒壓芯片,采用了先進的BUCK結構,能夠實現高效率的電壓轉換。它們支持六級能效標準,確保在各種負載條件下都能保持出色的能效表現。這兩款芯片內置高壓啟動功能和高壓MOSFET,采用了可靠的單芯片工藝,集成了欠壓、過壓、過溫、過流和短路保護功能,確保了系統的穩定性和安全性。

高效率與低功耗:在10 - 50mW的功耗范圍內,FT8400與FT8410能夠實現高達65% - 70%的轉換效率。
系統設計簡單:芯片的電路設計簡潔,易于生產,同時降低了不良率,提高了系統的可靠性。
穩定性與長壽命:通過優化的電路設計和保護功能,這兩款芯片能夠在長時間運行中保持穩定的性能,延長設備的使用壽命。
FT8400與FT8410適用于多種應用場景,包括但不限于:
MCU供電:為微控制器提供穩定的電源,確保其正常運行。
RF、WIFI 2.4G供電:為智能照明設備提供電源,支持無線通信功能。
小家電輔助供電:如智能遙控風扇、泡茶機、煮蛋器、燙發器、卷發器等,提供可靠的電源支持。
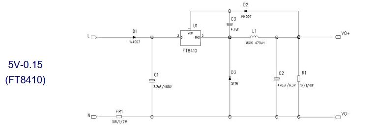
FT8410是一款輸出電壓為5V、輸出電流為0.15A的AC-DC恒壓芯片。其典型電路如下圖所示:

輸入端:通過整流橋(如D2、D3、D5)將交流輸入電壓轉換為直流電壓,經過電感L1和電容C1進行濾波處理。
芯片連接:FT8410的輸入端連接到經過濾波的直流電壓,通過電阻R1進行限流保護。
輸出端:輸出電壓通過電容C3進行進一步濾波,確保輸出電壓的穩定性。
保護電路:芯片內部集成了多種保護功能,如欠壓保護、過壓保護、過溫保護等,確保在異常情況下能夠及時切斷電源,保護電路安全。
FT8400是一款可調節輸出電壓的AC-DC恒壓芯片,支持5V、9V、12V等多種輸出電壓。其典型電路如下圖所示:

輸入端:與FT8410類似,通過整流橋將交流輸入電壓轉換為直流電壓,經過電感和電容進行濾波處理。
芯片連接:FT8400的輸入端連接到濾波后的直流電壓,通過電阻進行限流保護。
輸出端:輸出電壓通過電容進行濾波,確保輸出電壓的穩定性。通過外部電阻可以調節輸出電壓,實現5V、9V、12V等多種電壓輸出。
保護電路:與FT8410類似,FT8400也集成了多種保護功能,確保電路的安全性和穩定性。
為了準確評估FT8400與FT8410的能效表現,我們進行了以下測試條件的設置:
輸入電壓范圍:85V - 265V AC
輸出電壓:FT8410為5V,FT8400為12V
負載條件:從輕負載(1KΩ)到滿負載(0.15A)
環境溫度:25℃
FT8410 5V輸出能效
在輕負載(1KΩ)條件下,能效為63.6%。
在滿負載(0.15A)條件下,能效為65.5%。
平均能效約為64.2%。
FT8400 12V輸出能效
在輕負載(1KΩ)條件下,能效為60%。
在滿負載(0.12A)條件下,能效為63.1%。
平均能效約為61.5%。

從測試結果可以看出,FT8410在5V輸出時表現出了較高的能效,尤其是在滿負載條件下,能效接近66%。這得益于其優化的電路設計和高效的BUCK結構。FT8400在12V輸出時,雖然能效略低于FT8410,但仍然達到了較高的水平,尤其是在滿負載條件下,能效接近63%。這表明FT8400在高電壓輸出時仍然能夠保持良好的能效表現。
WIFI智能插座是一種常見的智能家居設備,需要穩定的電源支持其無線通信功能。FT8410的5V輸出能夠為WIFI模塊提供穩定的電源,確保設備的正常運行。其高效率和低功耗特性使得智能插座在長時間運行中能夠保持較低的能耗,同時延長設備的使用壽命。

RF遙控風扇需要穩定的電源支持其無線遙控功能。FT8400的12V輸出能夠為風扇的電機和無線模塊提供穩定的電源。其內置的保護功能確保了在各種工作條件下電路的安全性,避免因電壓波動或短路等問題導致設備損壞。
智能照明設備通常需要穩定的電源支持其WIFI通信和LED驅動功能。FT8410和FT8400的高效能設計能夠為這些設備提供可靠的電源支持,同時降低能耗,提高設備的整體能效。

FT8400與FT8410作為高效能AC-DC恒壓芯片,憑借其高效率、低功耗、系統設計簡單以及強大的保護功能,成為了許多電子產品設計中的理想選擇。通過本文的電路原理解析和能效測試,我們可以看到這兩款芯片在不同應用場景中表現出色,能夠滿足多種設備的電源需求。在未來,隨著智能家居和智能設備的不斷發展,FT8400與FT8410有望在更多領域發揮重要作用,推動電子設備的高效能發展。